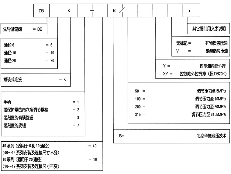
DB…K…型插装式先导溢流阀

静止时溢流阀呈关闭状态。A口的压力作用有阀芯上,与此同时压力通过阀芯的阻尼孔进入弹簧腔,再通过阻尼孔作用在锥阀上。当A口的压力增高直到超过弹簧调定的压力时,锥阀开启,压力油流进阀芯的弹簧腔,再通过阻尼孔和通道流到T口。进而产生压降而近推动阀芯开启,此时油口A和B连通。两个弹簧腔内的控制油通过T口外泄回油箱。
DBW10A1(2)-50B/100(200,315)6CG24N9Z5L
DBW10B1(2)-50B/100(200,315)6CG24N9Z5L
DBW20B1(2)-50B/100(200,315)6CG24N9Z5L
DBW20A1(2)-50B/100(200,315)6CG24N9Z5L
DB10-1-50B/100(200,315)
DB20-1-50B/100(200,315)
ZDB6VP1(2)-40B/50(100,200,315)
ZDB10VP1(2)-40B/50(100,200,315)
DBDS6K10B/50(100,200,315,400)
DBDS10K10B/50(100,200,315,400)
DBDS20K10B/50(100,200,315,400)
DBDH6K10B/50(100,200,315,400)
DBDH20K10B/50(100,200,315,400)
DBDS6P10B/50(100,200,315,400)
DBDS10P10B/50(100,200,315,400)
DBDS20P10B/50(100,200,315,400)
DBDS6G10B/50(100,200,315,400)
DBDS10G10B/50(100,200,315,400)
DBDS20G10B/50(100,200,315,400)
DBDH10K10B/50(100,200,315,400)
DBDH6P10B/50(100,200,315,400)
DBDH10P10B/50(100,200,315,400)
DBDH20P10B/50(100,200,315,400)
DBDH6G10B/50(100,200,315,400)
DBDH10G10B/50(100,200,315,400)
DBDH20G10B/50(100,200,315,400)

